| Sign In | Join Free | My wneducation.com |
|
Brand Name : Shinhom
Model Number : HKC-EKB
Place of Origin : China
Certification : RoHS
MOQ : Negotiation
Packaging Details : Carton
Delivery Time : 4~8 Weeks
Payment Terms : T/T
Supply Ability : 1000000/MONTH
Price : Negotiation
Supply voltage : ±15V (±5%)
Rated Input : 0A~2000A
Rated Output : 4.0V ±1%
Insulation voltage : 2.5KV(50HZ,1min)
Operating Temperature : -40~+85℃
Storage Temperature : -40~+105℃
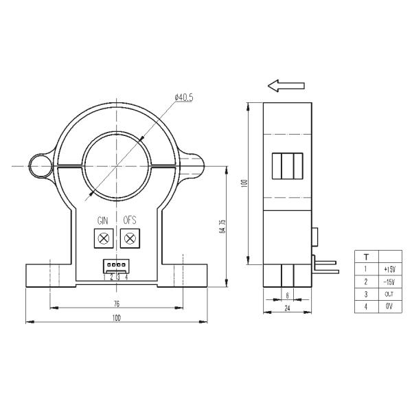
HKC-EKB Series Hall Effect DC Current Sensor Clamp on Hall Sensor with 0 to 2000A input
HKC-EKB Series current sensor with a galvanic isolation between primary and secondary circuit. It provides accurate electronic measurement of DC, AC or pulsed currents.
Features:
Applications:
ELECTRICAL DATA:
| HKC200EKB | HKC400EKB | HKC600EKB | HKC800EKB | HKC1000EKB | HKC2000EKB | ||
| Rated input current | 200 | 400 | 600 | 800 | 1000 | 2000 | A |
| Test current range | 400 | 800 | 1200 | 1600 | 2000 | 4000 | A |
| Rated output voltage | 4±1% | V | |||||
| Supply voltage | ±15±5% | V | |||||
| Offset voltage | ≤±20 | mV | |||||
| Magnetic offset voltage | ≤±40 | ≤±30 | mV | ||||
| Offset voltage Drift | ≤±1.5 | ≤±1 | mV/℃ | ||||
| Linearity | ≤±1 | %FS | |||||
| Response time | ≤5 | μS | |||||
| Insulation voltage | (50HZ,1min),2.5 | KV | |||||
| Operating Temperature | -40~+85 | ℃ | |||||
| Storage Temperature | -40~+105 | ℃ | |||||

Notes: Product specifications can be customized
|
|
High Precision Hall Effect DC Current Sensor Clamp On Type Easy Installation Images |